產品說明

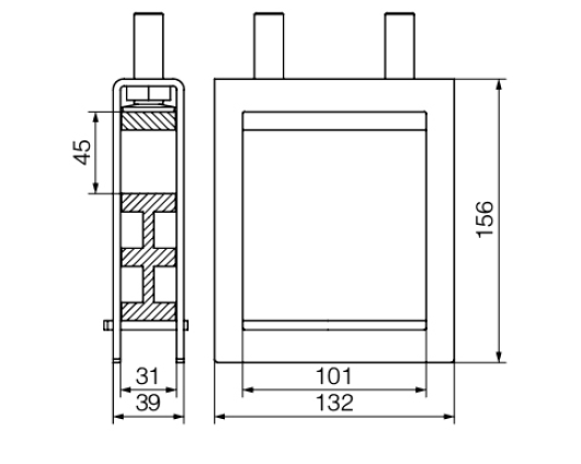
訂貨號 DN54908,132×39 母線夾
異形母線連接夾,適配3T形 異形銅母線
產品參數:
額定工作電流Ie(A):2500
額定工作電壓Ue(V)AC:690
開口空間:101×23-45
適用母線:3T形 異形銅母線
說明:異形母線連接夾,適配3T形異形銅母線
參考標準:
IEC 61439-1:2020
GB/T 7251.1:2023
認證許可:
CE、TUV
CCC認證:無需強制認證
機械參數:
尺寸 寬度×高度(mm):132×39
重量(kg):/
包裝參數:
盒/箱包裝件數(件):1/24
盒包裝尺寸(mm):140×40×212
箱包裝尺寸(mm):440×300×265
包裝材料:紙箱
包裝類型:箱裝
適用條件

1.室內周圍空氣溫度:周圍空氣溫度不超過+40℃,而且在24h內其平均溫度不得超過+35℃。周圍空氣溫度的下限為-5℃。
2.戶外周圍空氣溫度:周圍空氣溫度不超過+40℃,而且在24h內其平均溫度不得超過+35℃。
3.最高污染等級:III級
4.海拔:安裝場地的海拔不得超過2000m。
產品優勢

1.可靠與安全:提供短路和過載保護,確保用電的可靠性與安全性。
2.模塊化設計:安裝快速,布局整潔美觀。
3.可視化操作:分、合閘可視化,支持掛鎖保護。
4.多功能集成:集成電能測量,支持遠程輸出等功能
5.檢修與維護:電氣回路容量靈活調整,降低后期維護難度。
尺寸圖


文件下載
